Presto Neo WM Self Close Tap Cold 66000

Commercial & Wash Basin Taps

Presto Neo WM Self Close Tap Cold 66000

Washbasin single self-closing tap

Features

 Working pressure:

  • 1 to 5 bar

Flow:

  • 3 l/min at 3 bars - 4-position setting

  • Anti water-hammer system

Flow time:

  • 15 seconds ± 5 seconds

Hydraulic supply:

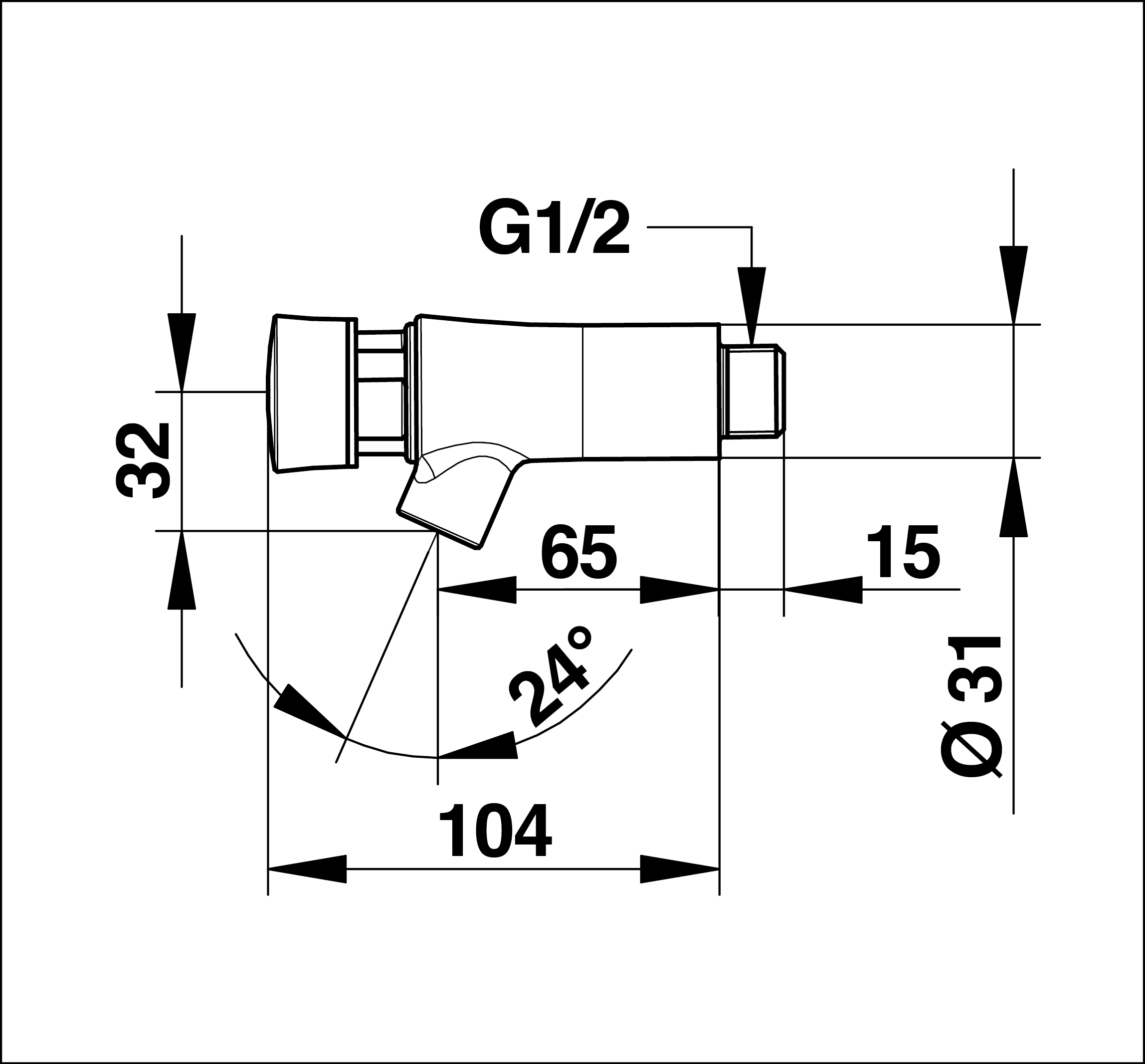
  • G 1/2'' x 15 - cold water

Thermal resistance:

  • This tap can withstand a thermal shock of 75°C for 30 minutes as part of a thermal shock programme

Dimensions:

  • 65mm projection

Safety:

  • Interchangeable head and non-turnable push button to avoid premature wear

  • Non-removable blue circled marker

Delivered with:

  • 1 Installation manual

Standards / Approvals:

  • Acoustic class II

  • Chrome-plated brass body compliant with standards NF EN1982 / NF EN12164 / NF EN12165

  • Nickel-Chrome surface treatment compliant with NF EN12540

  • Neutral Salt Spray (NSS) resistant: 200 h according to NF ISO 9227

Sector

Student Accommodation
Sustainable Commercial Washrooms - Rada UK
Sports and Leisure